עִברִית
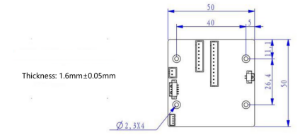
> אזעקה פנימה/החוצה.
> שמע כניסה/OUT.
> תמיכה ב- RS485, TTL232.
> תמיכה בהגדרת Baudrate של rs485


השאר את ההודעה שלך

